全国统一客户服务热线:
13587769016
首页
关于世卓
公司简介
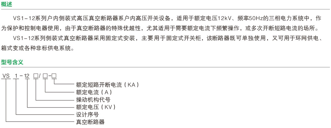
世卓电气有限公司是—家集研发设计、生产加工、销售为一体的企业,主要生产10kV柱上开关、zw32看门狗、真空断路器、负荷开关、隔离开关、高低压成套电器设备等高压电器产品。
了解详细
企业文化
多年来,公司的足迹遍布全国,广泛服务于电力、电信、治金、石化、环保、建筑等领域, 为祖国的经济建设留下了无数个辉煌的杰作。
了解详细
产品与服务
产品中心
产品证书
10kV柱上开关
户外高压智能真空断路器
户内高压真空断路器
户外高压负荷开关
户内高压负荷开关
户外高压隔离开关
户内高压隔离开关
户内高压接地开关
高压成套开关柜
高压熔断器系列
跌落式熔断器系列
产品中心
使业主承包的投资控制在合理水平,为业主节省资金,缩短建设工期,提高项目建设的效益。
产品证书
提供产品和专业解决方案与服务,让电能连通世界的每个角落。
荣誉证书
工程案例
资讯中心
人才招聘
联系我们
中文
关于世卓
产品与服务
荣誉证书
工程案例
资讯中心
人力资源
联系我们
企业简介
企业文化
10kV柱上开关
户外高压智能真空断路器
户内高压真空断路器
户外高压负荷开关
户内高压负荷开关
户外高压隔离开关
户内高压隔离开关
户内高压接地开关
高压成套开关柜
高压熔断器系列
跌落式熔断器系列
公司荣誉
产品证书
工程案例
产品知识
行业动态
人才招聘
联系我们
户内高压真空断路器
— VS1-12户内高压真空断路器/侧装式
返回列表
产品概述
技术参数
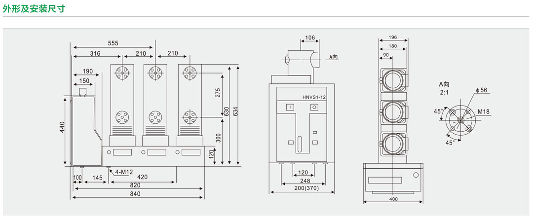
安装尺寸
产品概述
技术参数
安装尺寸
首页
一键拨号
QQ在线咨询
联系方式